makitaservis.ru
+7
925-230-58-78
E-mail:
2255053@mail.ru
0
Запчасти
и деталировки
Ремонт
инструмента
Онлайн оплата
Контакты
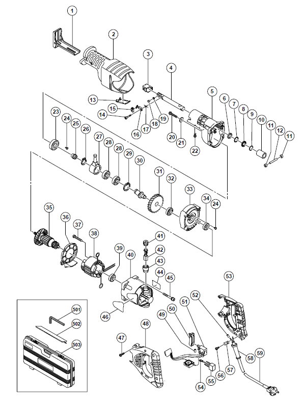
CR13VC Сабельная пила - запчасти и деталировка
Запчасти для электроинструмента
→
Hitachi
Доставка запчастей по Москве:
300-500 руб.
Доставка по России, в Беларусь и Казахстан:
300 руб. + по тарифам ТК
Запчасти Hitachi
|
Ремонт Hitachi